Вакуумный насос УЗПМ НВП-5
стоимость доставки и выбранных опций
| Технические характеристики вакуумного насоса УЗПМ НВП-5 | |
|---|---|
| Производительность при давлении Р=0, м3/ч | 310 (+31/-15) |
| Максимальное разрежение, МПа | 0,085 |
| Рабочее давление, не более, Мпа | 0,06 |
| Частота вращения ротора, об/мин | 1150 |
| Потребляемая мощность, кВт | 8±0,63 |
| Масса, кг | 123 |
| Время непрерывной работы, не более, ч | 1 |
| Производитель | ООО «Уральский завод подъемных механизмов АНТ», г. Миасс |
Примечание: Рабочее давление необходимо ограничивать предохранительным клапаном.
Насос вакуумный пластинчато-роторный НВП-5.00-00.00.000 (КО-505А) предназначен для создания вакуума или избыточного давления в цистерне вакуумной машины.
Вакуум-насос состоит из ребристого чугунного корпуса, в котором на подшипниках эксцентрично установлен ротор. В роторе в пазах свободно перемещаются текстолитовые лопатки.
При вращении ротора лопатки вследствие центробежной силы прижимаются к внутренней поверхности корпуса насоса. Перекачивание воздуха осуществляется вследствие изменения объемов ячеек, образованных эксцентрично расположенным ротором, текстолитовыми пластинами, корпусом насоса и торцовыми крышками.
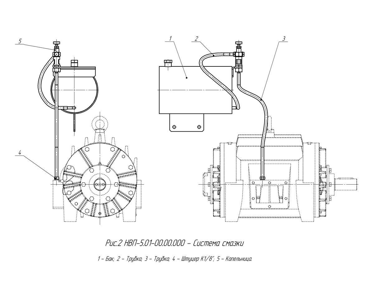
Система смазки насоса.
Конструкция системы включает в себя бачок и капельницу. Смазка поступает во всасывающую полость насоса через трубку равномерно и постоянно. Количество подаваемого масла регулируется регулировочным винтом на капельнице.
ВАЖНО ЗНАТЬ: Подшипники смазываются отдельно через пресс-масленки с помощью рычажно-плунжерного шприца.
Основные преимущества НВП‑5 перед КО‑505.
Улучшенная система смазки и охлаждения
В НВП‑5 применена более совершенная принудительная система смазки с масляным насосом, что обеспечивает стабильную подачу масла ко всем трущимся парам независимо от режима работы. В КО‑505 используется гравитационная подача (капельница), которая менее надёжна при перепадах нагрузки и может приводить к перегреву и заклиниванию.
Повышенная износостойкость лопаток и ротора
В НВП‑5 часто используются лопатки из современных полимерных композитов (например, углепластик) или текстолита с улучшенными антифрикционными свойствами. Это увеличивает ресурс до капитального ремонта в 1,5–2 раза по сравнению с КО‑505, где лопатки из обычного текстолита быстрее изнашиваются и требуют замены уже через 500–700 моточасов.
Герметичность и снижение подсосов воздуха
Конструкция НВП‑5 имеет более качественное уплотнение вала (сальники повышенной надёжности, иногда с защитной манжетой), что снижает риск подсоса воздуха при работе в вакуумном режиме и исключает подтекание масла. У КО‑505 сальниковое уплотнение менее долговечно, особенно при работе в зимний период.
Устойчивость к низким температурам
Благодаря увеличенному объёму масляной системы и применению всесезонных масел (или наличию подогрева в некоторых модификациях), НВП‑5 легче запускается при отрицательных температурах (до –25 °C). КО‑505 при температурах ниже –15 °C требует длительного прогрева или предпускового подогрева масла.
Улучшенная шумо‑ и виброизоляция
Корпус НВП‑5 часто имеет дополнительные рёбра жёсткости и иную геометрию, что снижает уровень вибрации и шума при работе. В КО‑505 вибрация более заметна, что может приводить к ослаблению креплений и фланцевых соединений.
Удобство обслуживания и ремонтопригодность
В НВП‑5:
- крышки насоса крепятся на шпильках с удобным доступом;
- предусмотрены сливные отверстия для полной замены масла без разбора агрегата;
- фильтрующие элементы (воздушный, масляный) легкодоступны и заменяются без снятия насоса с рамы.
У КО‑505 для замены лопаток или сальников часто требуется полный демонтаж насоса.
Защита от гидроудара и попадания жидкости
В конструкции НВП‑5 (особенно в исполнении для илососов) предусмотрены более эффективные сепарационные камеры или автоматические клапаны, предотвращающие попадание жидкости в рабочую полость. КО‑505 при аварийном переполнении цистерны более подвержен гидроудару и выходу из строя.
Универсальность монтажа
НВП‑5 выпускается в нескольких модификациях (с правым и левым вращением, с различными типами приводных шкивов), что упрощает установку на разные шасси (КамАЗ, Урал, МАЗ, ЗИЛ, ГАЗ) без дополнительных переходных плит. Для КО‑505 чаще требуется доработка креплений.
Увеличенный межремонтный ресурс
При соблюдении регламента обслуживания ресурс НВП‑5 до первого капитального ремонта составляет 3000–3500 моточасов против 2000–2500 моточасов у КО‑505 (данные из технической документации некоторых производителей вакуумного оборудования).
Заключение
Хотя по основным паспортным параметрам (производительность, разряжение, мощность) насосы идентичны, НВП‑5 является конструктивно более совершенным агрегатом. Его преимущества раскрываются в реальной эксплуатации: он надёжнее, долговечнее, проще в обслуживании и менее чувствителен к условиям работы, особенно в зимний период. Если стоит выбор между этими двумя моделями, НВП‑5 предпочтительнее для интенсивной эксплуатации на коммунальной и строительной технике.
Насос УЗПМ НВП-5 соответствует требованиям технического регламента Таможенного союза.
Вас также может заинтересовать:

Насос УЗПМ СВН-80









