Это важно знать!
1. При производстве полуприцепов марки УЗСТ используются только фирменные сборные агрегаты (оси + подвеска). Например: оси и подвеска фирмы BPW или HJ. Многие производители с целью удешевления продукции, используют самосборные агрегаты, что значительно снижает качество и ресурс полуприцепа.
2. Оси, устанавливаемые на все модели полуприцепов с рессорной подвеской нашего производства, имеют грузоподъемность не менее 12 тонн каждая, что в разы увеличивает запас прочности.
Полуприцеп тяжеловоз телескопический марки УЗСТ ППТ-001НР5 (60 т.)
Цена: Договорная
В итоговую цену может быть добавлена
стоимость доставки и выбранных опций
стоимость доставки и выбранных опций
Показать все модификации Полуприцеп тяжеловоз телескопический марки УЗСТ ППТ-001НР5 (60 т.) в наличии
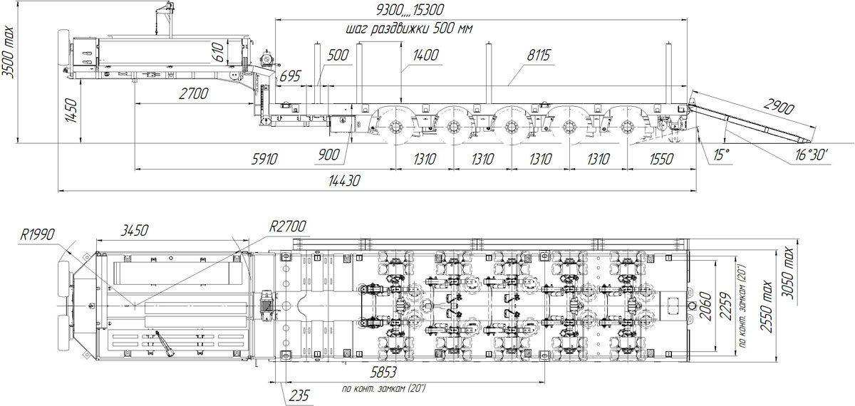
| Технические характеристики и комплектация телескопического раздвижного трала ППТ-001НР5 | |
|---|---|
| Полная масса, кг | 74000 |
| Снаряженная масса, кг | 14000 |
| Грузоподъемность, кг | 60000 |
| Нагрузка на ССУ тягача, кг | 19000 |
| Нагрузка на дорогу через шины колес, кг | 55000 |
| Высота ССУ, мм | 1450 |
| Высота погрузки, мм | 900 |
| Длина (в раздвинутом состоянии), мм | 9300 (15300) |
| Ширина (с уширителями), мм | 2550 (3000) |
| Настил грузовой платформы | Металлический |
| Оси | 5 шт. (SAE-SMB) |
| Подвеска | Пневматическая с функцией АБС |
| Межосевое расстояние, мм | 1310 |
| Колесная формула |
|
| Тормозная система | EBS |
| Шкворень | 2 дюйма (3,5 в дюйма в ЗИП) |
| Опорное устройство | SAF или BPW, механическое |
| Ошиновка | 235/75R17.5, двускатная |
| Запасное колесо | 2 шт. |
| Опорная платформа | 500х2550 мм. с грузовыми петлями |
| Тип уширителей | Выдвижные |
| Комплект трапов-переходов | Для установки на грузовую платформу трала в максимально раздвинутом состоянии) - 2 пары |
| Трапы | Приставные, алюминиевые |
| Оборудование |
|
| Электрика | 24В |
Конструктивные особенности телескопического полуприцепа-трала марки УЗСТ
Преимущества полуприцепов-тяжеловозов марки УЗСТ перед конкурентами
- Рама имеет дополнительное усиление при переходе от плиты наката к центральному лонжерону путем удлинения плиты наката и ее стыковки с накладкой лонжерона рамы.
- Центральные лонжероны при переходе от гусачной части (в районе опорного устройства) имеют двойную нижнюю полку двутавровой балки.
- Опорное устройство BPW имеет две степени подъема (сначала от рукоятки, затем вручную для максимального подъема), предназначено для бездорожья.
- Стояночный тормоз имеет пневматический привод (на энергоаккумуляторах).
- Полуприцепы марки УЗСТ укомплектованы двумя положениями сцепного шкворня для сцепки с тягачами как с КМУ, так и без.
- Полуприцепы марки УЗСТ оснащены большими крепкими увязочными петлями, утопленными в настил платформы.
- Полуприцепы марки УЗСТ оснащены большими крепкими увязочными петлями вдоль бокового лонжерона снизу.
- Полуприцепы марки УЗСТ оснащены комплектом подкачки колес
- Фонари и габаритные огни имеют металлическую защиту в виде рамки и съемной решетки.
- Электроразъемы имеют как 15 ПИНовое, так и 2x7 ПИНовое разъемы.
- Полуприцепы марки УЗСТ укомплектованы выдвижными знаками негабарита с 4-х сторон погрузочной платформы.
- Полуприцепы марки УЗСТ укомплектованы выдвижными проблесковыми маячками с 4-х сторон погрузочной платформы и одним съемным маяком на задней поперечине.
Вас также может заинтересовать:

Полуприцеп тяжеловоз телескопический марки УЗСТ ППТ-9177-001ВР3 (33 т.)
грузоподъемность 33 т., 3 оси, 1-скатная ошиновка оси HJ (аналог BPW), рессорно-балансирная подвеска HJ (аналог BPW), 4 пары обрезиненных коников высотой 1400 мм, шины 385/65R22,5, макс. длина телескопической платформы 17765 мм, высокопрочная сталь S700, передний борт 1500 мм, высота ССУ 1530 мм, механические трапы

Полуприцеп тяжеловоз телескопический марки УЗСТ ППТ-9176-003НР4 (56 т.)
грузоподъемность 56 т., 4 оси, 2-скатная ошиновка, оси SMB (оригинал), 4-ая ось самоустанавливающаяся, пневматическая подвеска Weweler (оригинал), без коников/стоек, шины 235/75R17,5, макс. длина телескопической платформы 17385 мм, высота ССУ 1474 мм, механические трапы

Полуприцеп тяжеловоз телескопический марки УЗСТ ППТ-9176-001НР4 (50,5 т.)
грузоподъемность 51,5 т., 4 оси, 2-скатная ошиновка, оси BPW (оригинал), 1-ая ось подъемная, 4-ая ось самоустанавливающаяся, пневматическая подвеска BPW (оригинал), 5 пар обрезиненных стоек высотой 1500 мм, шины 235/75R17,5, макс. длина телескопической платформы 17716 мм, высокопрочная сталь S700, высота ССУ 1350, алюминиевые приставные трапы, контейнерные замки – 8 шт.

Полуприцеп тяжеловоз телескопический марки УЗСТ ППТ-9176-004НР4 (50,5 т.)
грузоподъемность 50,5 т., 4 оси, 2-скатная ошиновка, оси SMB (оригинал), 4-ая ось самоустанавливающаяся, пневматическая подвеска SMB, 4 пары обрезиненных коников высотой 1400 мм, шины 235/75R17,5, макс. длина телескопической платформы 17326 мм, высота ССУ 1400 мм, алюминиевые приставные трапы





